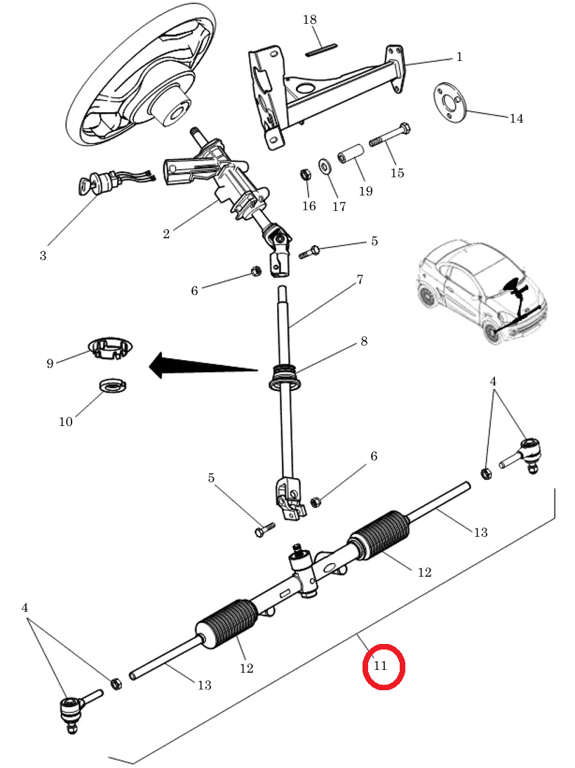
QUAND FAUT-IL REMPLACER VOTRE CREMAILLERE DE DIRECTION ?
Si votre crémaillère de direction est défectueuse cela peut avoir de lourdes conséquences sur votre sécurité. Certains signes doivent vous alerter quant à l’état de votre crémaillère de direction. Ils sont nombreux en voici les plus importants :
- Il vous est difficile de manipuler votre volant
- Vous entendez un bruit inhabituel au niveau de la direction
- Votre volant fait du bruit lorsque vous tournez
- Vous constater des vibrations au niveau du volant
- Votre voiturette n’est plus aussi stable que d’habitude.
Si vous remarquez l’un de ces symptômes nous vous conseillons de vous rendre rapidement chez un garagiste pour faire changer votre crémaillère de direction.











