Quand faut-il remplacer votre relais de préchauffage ?
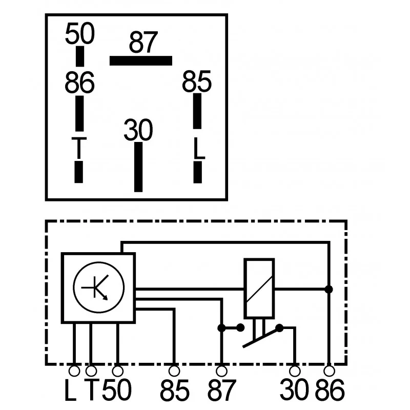
Le relais de préchauffage fait partie du système de préchauffage. Il se trouve dans le compartiment moteur. Son rôle est de commander et de gérer le préchauffage provoqué par les bougies de préchauffage. Ses contacts secondaires se ferment lorsque le relais de préchauffage est sous tension. Cela permet à l’intensité du courant de la batterie de traverser les bougies de préchauffage. Grâce à ce processus, l’air se trouvant dans les chambres de combustion est réchauffé.









Reviews
There are no reviews yet.